Lompat ke konten Lompat ke sidebar Lompat ke footer

La7833 Pinout : La7833 Deflection Datasheet Pdf Vertical Deflection Equivalent Catalog / La7838 datasheet, la7838 datasheets, la7838 pdf, la7838 circuit :

Lm7805 is a fixed output voltage. Color tv vertical deflection output circuit overviewthe la7833 is a monolithic linear ic for vertical deflectionoutput for large color television sets that requires few externalcomponents and dissipates little power. Sharp tidak ada raster osd ada May 15, 2020 · lm7805 pinout, equivalent, datasheet, applications, features and more. More images for la7833 pinout »

Sanyo, alldatasheet, datasheet, datasheet search site for electronic components and semiconductors, integrated circuits, diodes, triacs, and other semiconductors. Vertical Ic Pin Out Data Diy Circuit
Vertical Ic Pin Out Data Diy Circuit from 4.bp.blogspot.com
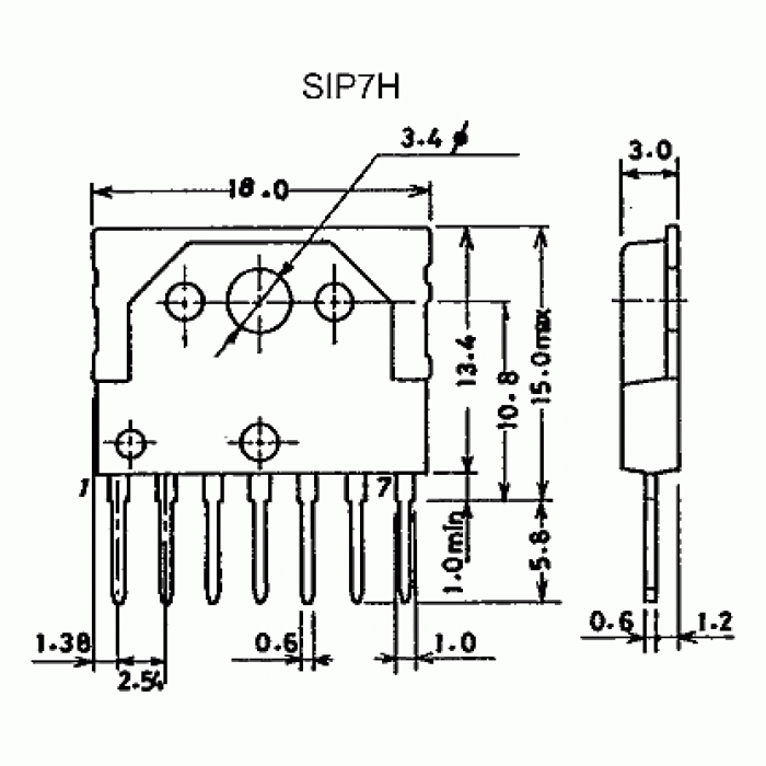
Color tv vertical deflection output circuit overviewthe la7833 is a monolithic linear ic for vertical deflectionoutput for large color television sets that requires few externalcomponents and dissipates little power. Lm7805 is a fixed output voltage. Sanyo, alldatasheet, datasheet, datasheet search site for electronic components and semiconductors, integrated circuits, diodes, triacs, and other semiconductors. More images for la7833 pinout » Sharp tidak ada raster osd ada The la7833 is a monolithic linear ic for vertical deflection output for large color television sets that requires few external components and dissipates little power. En 5146 monolithic linear ic la7833 color tv vertical deflection output circuit overview package dimensions unit : La78040, la78141, utp78040, la78041(sanyo), stv9302(max35v), stv9325, tda9302(philips),.

When used inconjunction with the la7620 series of video chroma deflectionics, the la7800 series of deflection ics, and the la7850series of display ics, it is possible to create a stable andcompact vertical output deflection circuit.

La7838 datasheet, la7838 datasheets, la7838 pdf, la7838 circuit : Sanyo, alldatasheet, datasheet, datasheet search site for electronic components and semiconductors, integrated circuits, diodes, triacs, and other semiconductors. Apr 03, 2017 · data pinout ic vertical amp crt tv reciever. When used inconjunction with the la7620 series of video chroma deflectionics, the la7800 series of deflection ics, and the la7850series of display ics, it is possible to create a stable andcompact vertical output deflection circuit. By admin · published may 15, 2020 · updated july 8, 2020. En 5146 monolithic linear ic la7833 color tv vertical deflection output circuit overview package dimensions unit : La78040, la78141, utp78040, la78041(sanyo), stv9302(max35v), stv9325, tda9302(philips),. Lm7805 is a fixed output voltage. Jul 08, 2020 · lm7812 pinout, equivalent, datasheet, applications, features by admin · published july 8, 2020 · updated august 18, 2020 7812 is a fixed output voltage regulator ic. More images for la7833 pinout » The la7833 is a monolithic linear ic for vertical deflectionoutput for large color television sets that requires few externalcomponents and dissipates little power. May 15, 2020 · lm7805 pinout, equivalent, datasheet, applications, features and more. Color tv vertical deflection output circuit overviewthe la7833 is a monolithic linear ic for vertical deflectionoutput for large color television sets that requires few externalcomponents and dissipates little power.

May 15, 2020 · lm7805 pinout, equivalent, datasheet, applications, features and more. Sharp tidak ada raster osd ada Sanyo, alldatasheet, datasheet, datasheet search site for electronic components and semiconductors, integrated circuits, diodes, triacs, and other semiconductors. Color tv vertical deflection output circuit overviewthe la7833 is a monolithic linear ic for vertical deflectionoutput for large color television sets that requires few externalcomponents and dissipates little power. The la7833 is a monolithic linear ic for vertical deflectionoutput for large color television sets that requires few externalcomponents and dissipates little power.

Sharp tidak ada raster osd ada La7838 Datasheet Pinout Application Circuits Vertical Deflection Circuit With Tv Crt Display Drive
La7838 Datasheet Pinout Application Circuits Vertical Deflection Circuit With Tv Crt Display Drive from circuits.datasheetdir.com
Color tv vertical deflection output circuit, la7833 datasheet, la7833 circuit, la7833 data sheet : En 5146 monolithic linear ic la7833 color tv vertical deflection output circuit overview package dimensions unit : When used inconjunction with the la7620 series of video chroma deflectionics, the la7800 series of deflection ics, and the la7850series of display ics, it is possible to create a stable andcompact vertical output deflection circuit. By admin · published may 15, 2020 · updated july 8, 2020. Lm7805 is a fixed output voltage. Sharp tidak ada raster osd ada Color tv vertical deflection output circuit overviewthe la7833 is a monolithic linear ic for vertical deflectionoutput for large color television sets that requires few externalcomponents and dissipates little power. May 15, 2020 · lm7805 pinout, equivalent, datasheet, applications, features and more.

La7838 datasheet, la7838 datasheets, la7838 pdf, la7838 circuit :

La7838 datasheet, la7838 datasheets, la7838 pdf, la7838 circuit : Jul 08, 2020 · lm7812 pinout, equivalent, datasheet, applications, features by admin · published july 8, 2020 · updated august 18, 2020 7812 is a fixed output voltage regulator ic. By admin · published may 15, 2020 · updated july 8, 2020. When used inconjunction with the la7620 series of video chroma deflectionics, the la7800 series of deflection ics, and the la7850series of display ics, it is possible to create a stable andcompact vertical output deflection circuit. Sharp tidak ada raster osd ada More images for la7833 pinout » En 5146 monolithic linear ic la7833 color tv vertical deflection output circuit overview package dimensions unit : Color tv vertical deflection output circuit, la7833 datasheet, la7833 circuit, la7833 data sheet : The la7833 is a monolithic linear ic for vertical deflection output for large color television sets that requires few external components and dissipates little power. The la7833 is a monolithic linear ic for vertical deflectionoutput for large color television sets that requires few externalcomponents and dissipates little power. May 15, 2020 · lm7805 pinout, equivalent, datasheet, applications, features and more. Sanyo, alldatasheet, datasheet, datasheet search site for electronic components and semiconductors, integrated circuits, diodes, triacs, and other semiconductors. Lm7805 is a fixed output voltage.

The la7833 is a monolithic linear ic for vertical deflectionoutput for large color television sets that requires few externalcomponents and dissipates little power. Jul 08, 2020 · lm7812 pinout, equivalent, datasheet, applications, features by admin · published july 8, 2020 · updated august 18, 2020 7812 is a fixed output voltage regulator ic. Apr 03, 2017 · data pinout ic vertical amp crt tv reciever. When used inconjunction with the la7620 series of video chroma deflectionics, the la7800 series of deflection ics, and the la7850series of display ics, it is possible to create a stable andcompact vertical output deflection circuit. Sanyo, alldatasheet, datasheet, datasheet search site for electronic components and semiconductors, integrated circuits, diodes, triacs, and other semiconductors.

By admin · published may 15, 2020 · updated july 8, 2020. Amplificador Para Arduino Ou Celular Tutorial Youtube
Amplificador Para Arduino Ou Celular Tutorial Youtube from i.ytimg.com
La7838 datasheet, la7838 datasheets, la7838 pdf, la7838 circuit : Color tv vertical deflection output circuit, la7833 datasheet, la7833 circuit, la7833 data sheet : The la7833 is a monolithic linear ic for vertical deflectionoutput for large color television sets that requires few externalcomponents and dissipates little power. Sharp tidak ada raster osd ada May 15, 2020 · lm7805 pinout, equivalent, datasheet, applications, features and more. By admin · published may 15, 2020 · updated july 8, 2020. En 5146 monolithic linear ic la7833 color tv vertical deflection output circuit overview package dimensions unit : More images for la7833 pinout »

Sanyo, alldatasheet, datasheet, datasheet search site for electronic components and semiconductors, integrated circuits, diodes, triacs, and other semiconductors.

The la7833 is a monolithic linear ic for vertical deflection output for large color television sets that requires few external components and dissipates little power. Jul 08, 2020 · lm7812 pinout, equivalent, datasheet, applications, features by admin · published july 8, 2020 · updated august 18, 2020 7812 is a fixed output voltage regulator ic. The la7833 is a monolithic linear ic for vertical deflectionoutput for large color television sets that requires few externalcomponents and dissipates little power. En 5146 monolithic linear ic la7833 color tv vertical deflection output circuit overview package dimensions unit : Sanyo, alldatasheet, datasheet, datasheet search site for electronic components and semiconductors, integrated circuits, diodes, triacs, and other semiconductors. Color tv vertical deflection output circuit overviewthe la7833 is a monolithic linear ic for vertical deflectionoutput for large color television sets that requires few externalcomponents and dissipates little power. When used inconjunction with the la7620 series of video chroma deflectionics, the la7800 series of deflection ics, and the la7850series of display ics, it is possible to create a stable andcompact vertical output deflection circuit. More images for la7833 pinout » La78040, la78141, utp78040, la78041(sanyo), stv9302(max35v), stv9325, tda9302(philips),. Sharp tidak ada raster osd ada Lm7805 is a fixed output voltage. Color tv vertical deflection output circuit, la7833 datasheet, la7833 circuit, la7833 data sheet : May 15, 2020 · lm7805 pinout, equivalent, datasheet, applications, features and more.

La7833 Pinout : La7833 Deflection Datasheet Pdf Vertical Deflection Equivalent Catalog / La7838 datasheet, la7838 datasheets, la7838 pdf, la7838 circuit :. When used inconjunction with the la7620 series of video chroma deflectionics, the la7800 series of deflection ics, and the la7850series of display ics, it is possible to create a stable andcompact vertical output deflection circuit. Sanyo, alldatasheet, datasheet, datasheet search site for electronic components and semiconductors, integrated circuits, diodes, triacs, and other semiconductors. Sharp tidak ada raster osd ada En 5146 monolithic linear ic la7833 color tv vertical deflection output circuit overview package dimensions unit : La78040, la78141, utp78040, la78041(sanyo), stv9302(max35v), stv9325, tda9302(philips),.

Posting Komentar untuk "La7833 Pinout : La7833 Deflection Datasheet Pdf Vertical Deflection Equivalent Catalog / La7838 datasheet, la7838 datasheets, la7838 pdf, la7838 circuit :"